Taggleicher Versand bei Bestellung bis 14:00 Uhr (Mo–Fr)DHL-Abholung ca. 15:00 UhrRegellaufzeit: 1–2 WerktageNächste Abholung in:  | 
Gilt an Werktagen (Mo–Fr), ausgenommen gesetzliche Feiertage. Zeiten können im Einzelfall abweichen. Details

Gaggia

Gaggia TD Kessel Heizung

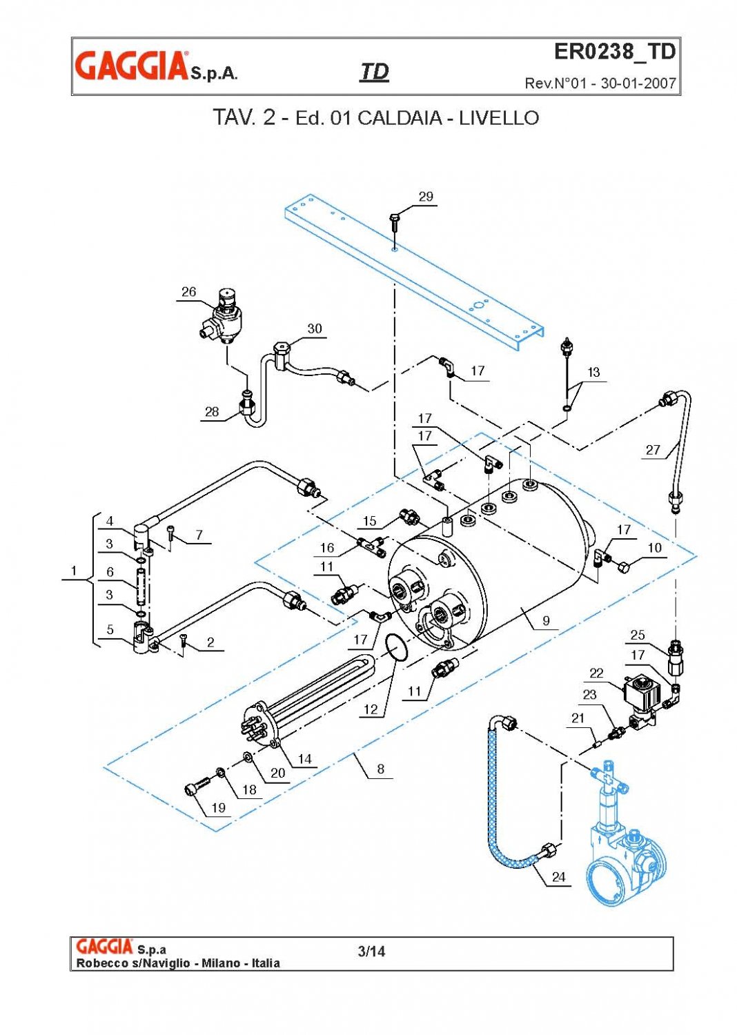
Drawing number 8281452

Under the exploded drawing you can order individual items.
If your article is not listed, please use the following form and enter the desired position numbers.

Request for unlisted item numbers.

Pos.: Image: Description: Qty.:
12triangular gasket for heating element 8007653
TRIANGULAR GASKET FOR HEATING ELEMENT
4,97 €

excl. Shipping costs

immediately available, 6 available
14gaggia heizung 2630 3130w 220 240v 240mm 8089327
Gaggia Heizung 2630/3130W 220/240V 240mm
69,00 €

excl. Shipping costs

immediately available, 1 available

If your article is not listed, please use the following form and enter the desired numbers.

Request for unlisted item numbers.

Avola