Taggleicher Versand bei Bestellung bis 14:00 Uhr (Mo–Fr)DHL-Abholung ca. 15:00 UhrRegellaufzeit: 1–2 WerktageNächste Abholung: |
Gilt an Werktagen (Mo–Fr), ausgenommen gesetzliche Feiertage. Zeiten können im Einzelfall abweichen. Details

Sab Sv Italia

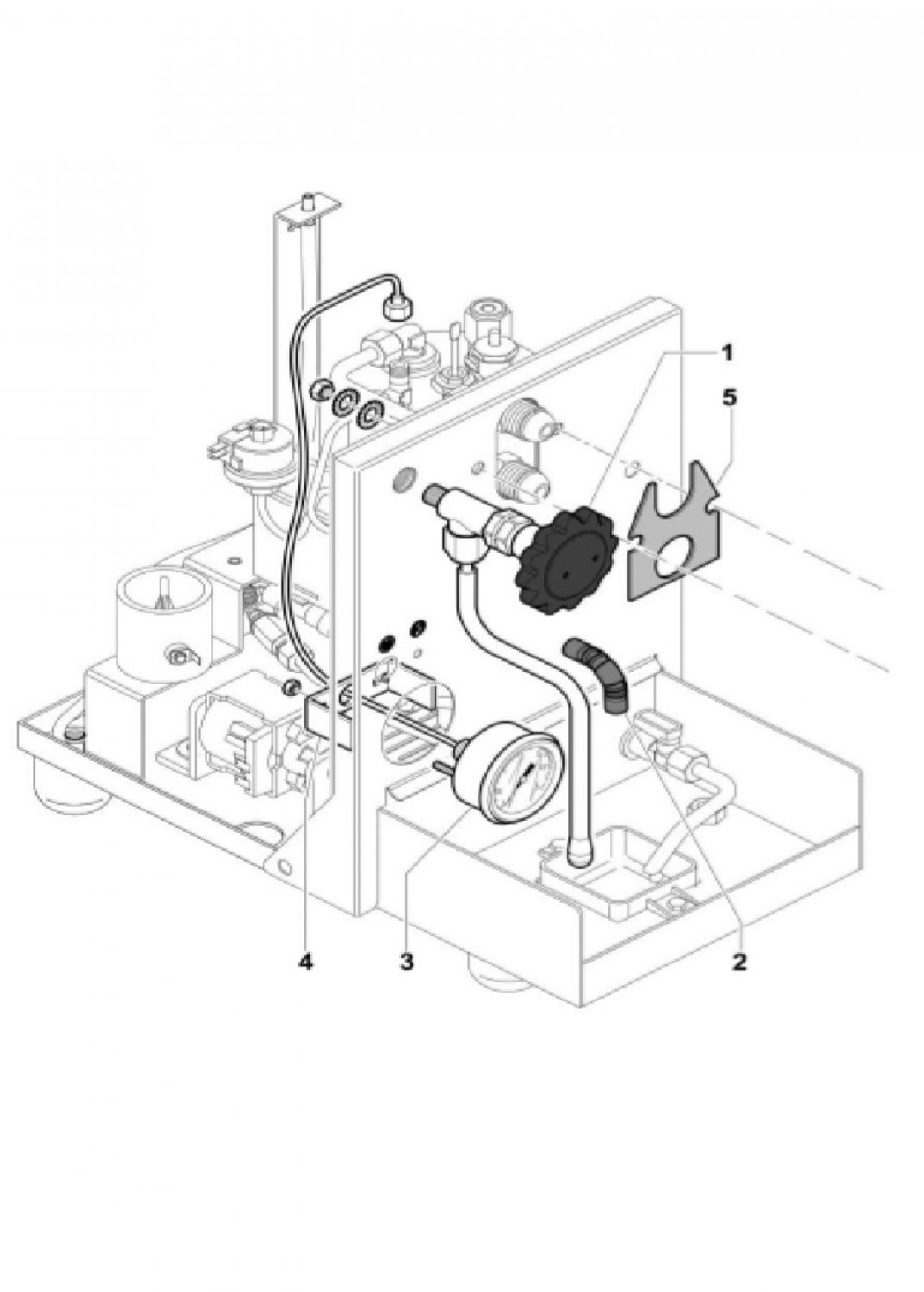
SAB ITALIA ALICE MANOMETER

Drawing number 8280731

Under the exploded drawing you can order individual items.
If your article is not listed, please use the following form and enter the desired position numbers.

Request for unlisted item numbers.

Pos.: Image: Description: Qty.:
3sab alice manometer 8139529
SAB Alice Manometer
26,18 €

excl. Shipping costs

immediately available, 6 available
6vibratory pump ulka ex5 48w 230v 50hz 8001016
VIBRATORY PUMP ULKA EX5 48W 230V 50Hz
14,90 €

excl. Shipping costs

immediately available, 11 available

If your article is not listed, please use the following form and enter the desired numbers.

Request for unlisted item numbers.

Avola